Интернет-магазин SellFrost.RU осуществляет продажу Shuft CFW 250 S на заказ с доставкой в Чите. Вы можете узнать цены, заказать и купить Круглые канальные вентиляторы позвонив по номеру телефона 8 (800) 201 69 35 или оставив онлайн заявку. Забрать товар можно в пункте выдачи по адрессу: г. Чита Туринская ул., 1Б
Цену уточняйте
Ближайшая дата доставки
08.04.2026
Если вы ищете надежный и эффективный вентилятор для вытяжной вентиляции вашего жилого, общественного или производственного помещения, то Shuft CFW 250 S - идеальное решение для вас.
Вентиляторы Shuft CFW 250 S поставляются готовыми к установке и пользованию. Они могут быть установлены в любом положении в соответствии с направлением потока воздуха, что делает их универсальными для различных конфигураций помещений. Важно предусмотреть доступ для обслуживания вентилятора.
Обратите внимание:

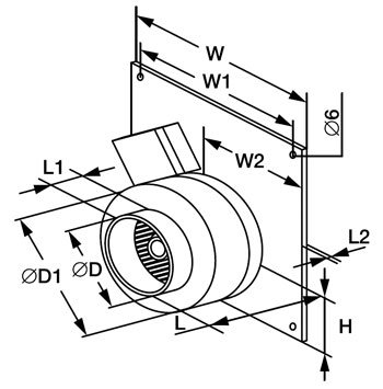
| Модель | D, мм | D1, мм | L, мм | L1, мм | L2, мм | W, мм | W1, мм | W2, мм | H, мм |
|---|---|---|---|---|---|---|---|---|---|
| CFW 250S | 250 | 342 | 131 | 25 | 10 | 400 | 385 | 192 | 192 |
Не упустите возможность приобрести вентилятор Shuft CFW 250 S и обеспечить своему помещению идеальный микроклимат. Получите надежность, эффективность и комфорт с Shuft CFW 250 S!
| Напряжение электропитания, В | 230 B |
| Вес, кг | 5.0 кг |
| 4 стадия очистки | 55/70 дБ |
| Потребляемая электрическая мощность, Вт | 162 Вт |
| Размеры внутреннего блока, мм | 1008/0 м3/ч / Па |
| Режим вентилятора | 0,71 А |
| Температура окружающей среды до, °C | 0/514 м3/ч / Па |
| Тип парораспределителя | 0.162 кВт |
| Ток на охлаждение, А | 2518 об/мин |